| штат: | |
|---|---|
| Количество: | |
LY45B60W-T01
Разработанный как для профессионалов, так и для энтузиастов, синий лазерный модуль с оптической мощностью 450 нм и мощностью 60 Вт — это ваш путь к точному изготовлению, гравировке и резке. Благодаря передовым технологиям и универсальному дизайну этот лазерный модуль обеспечивает первоклассные результаты для широкого спектра применений, что делает его незаменимым инструментом для станков лазерной обработки и резки.
Этот ультрасовременный лазерный модуль имеет фокусное расстояние 40±1 мм, что обеспечивает непревзойденную точность во время работы. Тщательно калиброванный фокусный размер гарантирует точность при работе с различными материалами: от металлов до пластика, дерева и т. д. Независимо от того, являетесь ли вы художником, работающим над сложными проектами, или промышленным пользователем, ориентированным на высокопроизводительные задачи, этот модуль легко адаптируется к вашим потребностям.
Оптическая мощность 60 Вт обеспечивает надежные возможности резки и гравировки, обеспечивая более быстрые и чистые результаты по сравнению со стандартными модулями. Этот синий лазер работает на длине волны 450 нм, обеспечивая высокую выходную мощность и стабильность, одновременно сводя к минимуму потребление энергии при длительном использовании. Это идеальное решение для требовательных проектов, требующих стабильной и надежной работы.
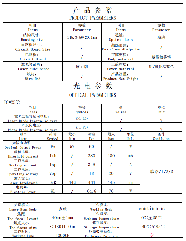
| Длина волны | 450 нм |
| Выходная мощность | 60 Вт |
| Рабочее напряжение | 18В |
| Лучевой режим | Фокусная точка |
| Расстояние фокусировки | 40 ± 1 мм |
| Размер луча | < 130*110 мкм |
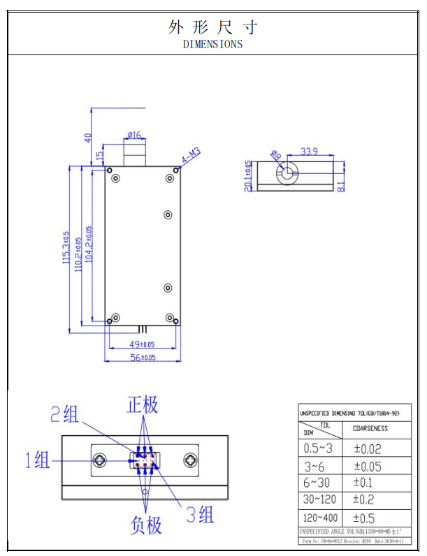
| Размер жилья | 155,3*56*20,1 мм (настраиваемый) |
| Объектив | Стекло |
| Продолжительность жизни | 10 000 часов |
| Элемент | Параметр | ||||
| Длина волны | 375-405 нм | 425-488 нм | 515-520 нм | 635-670 нм | 780-980 нм |
| Оптическая мощность одноодного модуля | 20 МВт-3W | 20 МВт-3W | 10 МВт-1,6 Вт | 5 МВт-2,5 Вт | 5 МВт-75W |
| Оптическая мощность модуля с несколькими диодами | 3W-200W | 6W-500 Вт | 1,6 Вт-50 Вт | 2,5 Вт-30 Вт | 75W-100W |
| Рабочее напряжение | 3-5 В/ 6 В/ 12 В/ 24 В/ 30 В/ 110 В/ 220 В/ 240 В и т. Д. | ||||
| Точечный режим | Dot/ Line/ Cross/ Grid/ Muti-Lines/ DOE и т. Д. | ||||
| Варианты угла вентилятора линии луча | 5 °/10 °/15 °/20 °/25 °/30 °/45 °/60 °/90 °/110 °/130 °/180 ° и т. Д. | ||||
| Оптическая линза | Акриловые линзы, стеклянные линзы, волновые линзы, линзы Пауэлла и т. Д. | ||||
| Измерение | 4*8 мм/ 6*10,5 мм7*15 мм/ 9*21 мм/ 16*66 мм/ 33*33*55 мм и т. Д. | ||||
| CDRH Class | class1/class2/class3a/class3b/class4 | ||||
Ниже приведены другие параметры лазерного рисунка, которые вы можете выбрать:
Разработанный как для профессионалов, так и для энтузиастов, синий лазерный модуль с оптической мощностью 450 нм и мощностью 60 Вт — это ваш путь к точному изготовлению, гравировке и резке. Благодаря передовым технологиям и универсальному дизайну этот лазерный модуль обеспечивает первоклассные результаты для широкого спектра применений, что делает его незаменимым инструментом для станков лазерной обработки и резки.
Этот ультрасовременный лазерный модуль имеет фокусное расстояние 40±1 мм, что обеспечивает непревзойденную точность во время работы. Тщательно калиброванный фокусный размер гарантирует точность при работе с различными материалами: от металлов до пластика, дерева и т. д. Независимо от того, являетесь ли вы художником, работающим над сложными проектами, или промышленным пользователем, ориентированным на высокопроизводительные задачи, этот модуль легко адаптируется к вашим потребностям.
Оптическая мощность 60 Вт обеспечивает надежные возможности резки и гравировки, обеспечивая более быстрые и чистые результаты по сравнению со стандартными модулями. Этот синий лазер работает на длине волны 450 нм, обеспечивая высокую выходную мощность и стабильность, одновременно сводя к минимуму потребление энергии при длительном использовании. Это идеальное решение для требовательных проектов, требующих стабильной и надежной работы.
| Длина волны | 450 нм |
| Выходная мощность | 60 Вт |
| Рабочее напряжение | 18В |
| Лучевой режим | Фокусная точка |
| Расстояние фокусировки | 40 ± 1 мм |
| Размер луча | < 130*110 мкм |
| Размер жилья | 155,3*56*20,1 мм (настраиваемый) |
| Объектив | Стекло |
| Продолжительность жизни | 10 000 часов |
| Элемент | Параметр | ||||
| Длина волны | 375-405 нм | 425-488 нм | 515-520 нм | 635-670 нм | 780-980 нм |
| Оптическая мощность одноодного модуля | 20 МВт-3W | 20 МВт-3W | 10 МВт-1,6 Вт | 5 МВт-2,5 Вт | 5 МВт-75W |
| Оптическая мощность модуля с несколькими диодами | 3W-200W | 6W-500 Вт | 1,6 Вт-50 Вт | 2,5 Вт-30 Вт | 75W-100W |
| Рабочее напряжение | 3-5 В/ 6 В/ 12 В/ 24 В/ 30 В/ 110 В/ 220 В/ 240 В и т. Д. | ||||
| Точечный режим | Dot/ Line/ Cross/ Grid/ Muti-Lines/ DOE и т. Д. | ||||
| Варианты угла вентилятора линии луча | 5 °/10 °/15 °/20 °/25 °/30 °/45 °/60 °/90 °/110 °/130 °/180 ° и т. Д. | ||||
| Оптическая линза | Акриловые линзы, стеклянные линзы, волновые линзы, линзы Пауэлла и т. Д. | ||||
| Измерение | 4*8 мм/ 6*10,5 мм7*15 мм/ 9*21 мм/ 16*66 мм/ 33*33*55 мм и т. Д. | ||||
| CDRH Class | class1/class2/class3a/class3b/class4 | ||||
Ниже приведены другие параметры лазерного рисунка, которые вы можете выбрать: