| штат: | |
|---|---|
| Количество: | |
JBP4015Z-001
Этот лазерный модуль с фиолетовой линией с длиной волны 405 нм и мощностью 30 мВт с единой линзой Пауэлла представляет собой основной компонент профессионального уровня, специально разработанный для отслеживания сварных швов. Он использует точность линзы Пауэлла и оптимизированного фиолетового лазера с длиной волны 405 нм для обеспечения сверхравномерной проекции линии, что критически важно для точного позиционирования сварного шва, управления траекторией и отслеживания в реальном времени в таких сварочных сценариях, как дуговая сварка, лазерная сварка и роботизированная сварка.
Линейная линза Пауэлла для сверхравномерного линейного выхода: Лазерный модуль фиолетовой линии, оснащенный высокоточной линейной линзой Пауэлла, излучает негауссову равномерную фиолетовую линию лазера — постоянство ширины линии ≤±5% по всему диапазону проецирования (1–5 м), избегая ярких центров и тусклых краев. Это гарантирует, что система отслеживания сварных швов улавливает четкие и последовательные линейные сигналы, исключая ошибки отслеживания, вызванные неравномерным освещением.
Оптимизация защиты от помех фиолетового лазера с длиной волны 405 нм. Фиолетовая длина волны 405 нм обеспечивает сильное проникновение сварочного дыма, брызг и света дуги, превосходя видимый свет в суровых условиях сварки. Лазерный модуль фиолетовой линии с длиной волны 405 нм обеспечивает четкую видимость линии, не закрывая ее мусором, обеспечивая стабильное отслеживание сварного шва даже во время сварочных процессов с высоким содержанием дыма.
Стабильная выходная мощность 30 мВт для точного позиционирования: Обеспечивает выход непрерывной волны (CW), проецируя резкую фиолетовую линию шириной <1 мм при 10 см. Такая высокая точность обеспечивает точную основу для систем отслеживания сварных швов, уменьшая отклонения при сварке.
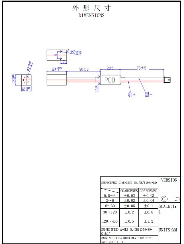
Компактная и прочная конструкция для сварочных работ. Этот лазерный модуль фиолетовой линии с длиной волны 405 нм и мощностью 30 мВт имеет миниатюрную конструкцию (квадратная форма — 12*12*24 мм), которая легко вписывается в сварочные роботы, сварочные горелки или стационарное следящее оборудование. Прочный корпус из алюминиевого сплава с защитой IP65 устойчив к сварочным брызгам, высоким температурам и вибрации, обеспечивая надежную работу в суровых условиях сварки.
Основная спецификация:
| Длина волны | 405 нм |
| Выходная мощность | 30-35мВт |
| Рабочее напряжение | 3,7 В |
| Лучевой режим | Линия |
| Угол вентилятора | >60° |
| Размер жилья | 12*12*24 мм (настраиваемый) |
| Лазерная линия ширины | <1 мм@10 см |
| Объектив | Оптическое стекло |
| Продолжительность жизни | > 10000 часов |
У нас более 15 лет опыта работы с лазерами. Мы предлагаем профессиональный сервис OEM и ODM для лазерных модулей!
| Элемент | Параметр | ||||
| Длина волны | 375-405 нм | 425-488 нм | 515-520 нм | 635-670 нм | 780-980 нм |
| Оптическая мощность одноодного модуля | 20 МВт-3W | 20 МВт-3W | 10 МВт-1,6 Вт | 5 МВт-2,5 Вт | 5 МВт-75W |
| Оптическая мощность модуля с несколькими диодами | 3W-200W | 6W-500 Вт | 1,6 Вт-50 Вт | 2,5 Вт-30 Вт | 75W-100W |
| Рабочее напряжение | 3-5 В/ 6 В/ 12 В/ 24 В/ 30 В/ 110 В/ 220 В/ 240 В и т. Д. | ||||
| Лучевой режим | Dot/ Line/ Cross/ Grid/ Muti-Lines/ DOE и т. Д. | ||||
| Варианты угла вентилятора линии луча | 5 °/10 °/15 °/20 °/25 °/30 °/45 °/60 °/90 °/110 °/130 °/180 ° и т. Д. | ||||
| Оптическая линза | Акриловые линзы, стеклянные линзы, волновые линзы, линзы Пауэлла и т. Д. | ||||
| Измерение | 4*8 мм/ 6*10,5 мм7*15 мм/ 9*21 мм/ 16*66 мм/ 33*33*55 мм и т. Д. | ||||
| CDRH Class | класс1/класс2/класс3R/класс3B/класс4 | ||||
Ниже приведены другие параметры лазерного рисунка, которые вы можете выбрать:
Этот лазерный модуль с фиолетовой линией с длиной волны 405 нм и мощностью 30 мВт с единой линзой Пауэлла представляет собой основной компонент профессионального уровня, специально разработанный для отслеживания сварных швов. Он использует точность линзы Пауэлла и оптимизированного фиолетового лазера с длиной волны 405 нм для обеспечения сверхравномерной проекции линии, что критически важно для точного позиционирования сварного шва, управления траекторией и отслеживания в реальном времени в таких сварочных сценариях, как дуговая сварка, лазерная сварка и роботизированная сварка.
Линейная линза Пауэлла для сверхравномерного линейного выхода: Лазерный модуль фиолетовой линии, оснащенный высокоточной линейной линзой Пауэлла, излучает негауссову равномерную фиолетовую линию лазера — постоянство ширины линии ≤±5% по всему диапазону проецирования (1–5 м), избегая ярких центров и тусклых краев. Это гарантирует, что система отслеживания сварных швов улавливает четкие и последовательные линейные сигналы, исключая ошибки отслеживания, вызванные неравномерным освещением.
Оптимизация защиты от помех фиолетового лазера с длиной волны 405 нм. Фиолетовая длина волны 405 нм обеспечивает сильное проникновение сварочного дыма, брызг и света дуги, превосходя видимый свет в суровых условиях сварки. Лазерный модуль фиолетовой линии с длиной волны 405 нм обеспечивает четкую видимость линии, не закрывая ее мусором, обеспечивая стабильное отслеживание сварного шва даже во время сварочных процессов с высоким содержанием дыма.
Стабильная выходная мощность 30 мВт для точного позиционирования: Обеспечивает выход непрерывной волны (CW), проецируя резкую фиолетовую линию шириной <1 мм при 10 см. Такая высокая точность обеспечивает точную основу для систем отслеживания сварных швов, уменьшая отклонения при сварке.
Компактная и прочная конструкция для сварочных работ. Этот лазерный модуль фиолетовой линии с длиной волны 405 нм и мощностью 30 мВт имеет миниатюрную конструкцию (квадратная форма — 12*12*24 мм), которая легко вписывается в сварочные роботы, сварочные горелки или стационарное следящее оборудование. Прочный корпус из алюминиевого сплава с защитой IP65 устойчив к сварочным брызгам, высоким температурам и вибрации, обеспечивая надежную работу в суровых условиях сварки.
Основная спецификация:
| Длина волны | 405 нм |
| Выходная мощность | 30-35мВт |
| Рабочее напряжение | 3,7 В |
| Лучевой режим | Линия |
| Угол вентилятора | >60° |
| Размер жилья | 12*12*24 мм (настраиваемый) |
| Лазерная линия ширины | <1 мм@10 см |
| Объектив | Оптическое стекло |
| Продолжительность жизни | > 10000 часов |
У нас более 15 лет опыта работы с лазерами. Мы предлагаем профессиональный сервис OEM и ODM для лазерных модулей!
| Элемент | Параметр | ||||
| Длина волны | 375-405 нм | 425-488 нм | 515-520 нм | 635-670 нм | 780-980 нм |
| Оптическая мощность одноодного модуля | 20 МВт-3W | 20 МВт-3W | 10 МВт-1,6 Вт | 5 МВт-2,5 Вт | 5 МВт-75W |
| Оптическая мощность модуля с несколькими диодами | 3W-200W | 6W-500 Вт | 1,6 Вт-50 Вт | 2,5 Вт-30 Вт | 75W-100W |
| Рабочее напряжение | 3-5 В/ 6 В/ 12 В/ 24 В/ 30 В/ 110 В/ 220 В/ 240 В и т. Д. | ||||
| Лучевой режим | Dot/ Line/ Cross/ Grid/ Muti-Lines/ DOE и т. Д. | ||||
| Варианты угла вентилятора линии луча | 5 °/10 °/15 °/20 °/25 °/30 °/45 °/60 °/90 °/110 °/130 °/180 ° и т. Д. | ||||
| Оптическая линза | Акриловые линзы, стеклянные линзы, волновые линзы, линзы Пауэлла и т. Д. | ||||
| Измерение | 4*8 мм/ 6*10,5 мм7*15 мм/ 9*21 мм/ 16*66 мм/ 33*33*55 мм и т. Д. | ||||
| CDRH Class | класс1/класс2/класс3R/класс3B/класс4 | ||||
Ниже приведены другие параметры лазерного рисунка, которые вы можете выбрать: