| штат: | |
|---|---|
| Количество: | |
GH04C06W9G

Синий лазерный диод высокой мощности TO5 9 мм, 435 нм, 6 Вт GH04C06W9G — передовой источник света с одним излучателем, оптимизированный для промышленного применения высокой интенсивности. Используя передовую технологию многомодовых лазерных диодов Sharp, это устройство с длиной волны синего излучения 435 нм обеспечивает пиковую мощность непрерывного излучения 6 Вт в компактном корпусе CAN TO5 диаметром 9 мм, сочетая в себе исключительную яркость, превосходное поглощение материалов и надежную работу для требовательных промышленных, научных и специальных приложений.
Сверхвысокая мощность, длина волны 435 нм: исключительное взаимодействие с материалами
Длина волны сине-фиолетового излучения 435 нм (±5 нм) обеспечивает в 4–10 раз большее поглощение меди, золота, алюминия и других цветных металлов по сравнению с ИК-лазерами с длиной волны 1064 нм.
Выходная мощность непрерывного тока 6 Вт (при Tc=25°C) обеспечивает быструю обработку материала с минимальным термическим повреждением.
Многомодовые TE-колебания обеспечивают равномерное распределение энергии для получения стабильных результатов на больших площадях.
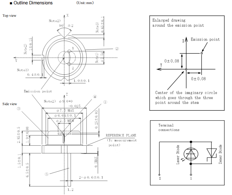
Компактный CAN-пакет TO5 9 мм: компактная интеграция
Размер апертуры: ширина излучателя 45 мкм для точного управления лучом
1. Промышленная обработка материалов
Лазерное испарение и осаждение тонких пленок для производства полупроводников.
Высокоскоростная маркировка и гравировка на металлах, пластике и керамике.
Прецизионная резка тонких материалов (≤1 мм) с минимальной зоной термического влияния.
Пайка и сварка медных и золотых компонентов (в 4–10 раз быстрее, чем ИК-лазеры).
2. Научные исследования и приборостроение
Материаловедческие эксперименты (кинетика испарения, модификация поверхности).
Источник возбуждения флуоресценции для биологического и химического анализа.
Мощный источник света для спектроскопии и интерферометрии.
Разработка прототипа лазерных систем нового поколения.
3. Специализированное производство
Обработка медицинских изделий (стерильная маркировка, прецизионная резка).
3D печать металлическими и полимерными материалами.
Ремонт и доработка электронных компонентов.
Дисплейная техника (подсветка, проекционные системы).
4. Автоматизация и робототехника
Интегрированные лазерные системы для автоматизированных производственных линий.
Системы машинного зрения и выравнивания требуют синего света высокой интенсивности.
Контроль качества с высококонтрастной подсветкой.



Синий лазерный диод высокой мощности TO5 9 мм, 435 нм, 6 Вт GH04C06W9G — передовой источник света с одним излучателем, оптимизированный для промышленного применения высокой интенсивности. Используя передовую технологию многомодовых лазерных диодов Sharp, это устройство с длиной волны синего излучения 435 нм обеспечивает пиковую мощность непрерывного излучения 6 Вт в компактном корпусе CAN TO5 диаметром 9 мм, сочетая в себе исключительную яркость, превосходное поглощение материалов и надежную работу для требовательных промышленных, научных и специальных приложений.
Сверхвысокая мощность, длина волны 435 нм: исключительное взаимодействие с материалами
Длина волны сине-фиолетового излучения 435 нм (±5 нм) обеспечивает в 4–10 раз большее поглощение меди, золота, алюминия и других цветных металлов по сравнению с ИК-лазерами с длиной волны 1064 нм.
Выходная мощность непрерывного тока 6 Вт (при Tc=25°C) обеспечивает быструю обработку материала с минимальным термическим повреждением.
Многомодовые TE-колебания обеспечивают равномерное распределение энергии для получения стабильных результатов на больших площадях.
Компактный CAN-пакет TO5 9 мм: компактная интеграция
Размер апертуры: ширина излучателя 45 мкм для точного управления лучом
1. Промышленная обработка материалов
Лазерное испарение и осаждение тонких пленок для производства полупроводников.
Высокоскоростная маркировка и гравировка на металлах, пластике и керамике.
Прецизионная резка тонких материалов (≤1 мм) с минимальной зоной термического влияния.
Пайка и сварка медных и золотых компонентов (в 4–10 раз быстрее, чем ИК-лазеры).
2. Научные исследования и приборостроение
Материаловедческие эксперименты (кинетика испарения, модификация поверхности).
Источник возбуждения флуоресценции для биологического и химического анализа.
Мощный источник света для спектроскопии и интерферометрии.
Разработка прототипа лазерных систем нового поколения.
3. Специализированное производство
Обработка медицинских изделий (стерильная маркировка, прецизионная резка).
3D печать металлическими и полимерными материалами.
Ремонт и доработка электронных компонентов.
Дисплейная техника (подсветка, проекционные системы).
4. Автоматизация и робототехника
Интегрированные лазерные системы для автоматизированных производственных линий.
Системы машинного зрения и выравнивания требуют синего света высокой интенсивности.
Контроль качества с высококонтрастной подсветкой.

